ปั๊มหอยโข่ง STAC รุ่น CSE
ปั๊มหอยโข่ง STAC รุ่น CSE เป็นปั๊มหอยโข่งใบพัดเดี่ยว โครงปั๊มเหล็กหล่อ แข็งแรงทนทาน ออกแบบมาสำหรับงานเพิ่มแรงดันระบบน้ำ การชลประทาน และการสูบถ่ายของเหลวทั่วไปที่ไม่กัดกร่อน เหมาะกับการใช้งานอุตสาหกรรมและในอาคาร ระบบมอเตอร์แบบ T.E.F.C. 2 โพล ประสิทธิภาพดี ดูแลรักษาง่าย และมีทางเลือกกำลังมอเตอร์ตั้งแต่เฟสเดียวจนถึงสามเฟส
จุดเด่น
- โครงปั๊มเหล็กหล่อ ทนทาน ใช้งานได้ยาวนาน
- ซีลเพลาแบบคาร์บอน/เซรามิก พร้อมยาง NBR ลดการรั่วซึม
- ใบพัดเหล็กหล่อชนิดปิด (สั่งทำใบพัดบรอนซ์ได้เป็นออปชัน)
- มอเตอร์ IP55, ฉนวน Class F ใช้งานได้มั่นใจ
- รองรับแรงดันงานระบบสูง และอุณหภูมิน้ำได้ถึง ประมาณ 80°C (ดูรายละเอียดรุ่นย่อยตามสเปค)
การใช้งานที่แนะนำ
- ระบบเพิ่มแรงดันน้ำอาคารและโรงงาน
- ระบบชลประทาน สวน/เกษตร
- การสูบถ่ายของเหลวทั่วไปที่ไม่กัดกร่อนในไลน์ผลิต
ข้อมูลมอเตอร์โดยสรุป
- T.E.F.C. 2 poles, ฉนวน Class F, ระดับป้องกัน IP55
- 1 เฟส 220V 50Hz : มีให้เลือกจนถึง ~2.2 kW
- 3 เฟส 220/380V 50Hz : มีให้เลือกจนถึง ~22 kW
- แรงดัน/ความถี่อื่น ๆ สั่งทำได้
วัสดุหลัก
- ตัวปั๊ม: เหล็กหล่อ
- ใบพัด: เหล็กหล่อชนิดปิด (ออปชันใบพัดบรอนซ์)
- ซีลเพลา: Carbon/Ceramic + NBR
- เพลาปั๊ม: สเตนเลส
- แบร็กเก็ต: เหล็กหล่อ
หมายเหตุ: ค่าความดันทำงานสูงสุดและอุณหภูมิน้ำสูงสุดขึ้นกับรุ่นย่อย ตรวจสอบจากตารางสเปคก่อนเลือกใช้งาน
SERIES CSE
SINGLE IMPELLER CENTRIFUGAL PUMPS
| MOD | POWER | ABSORBED AMP | Q=DELMERY | |||||||||||||
| M3/H | 6 | 12 | 18 | 24 | 30 | 36 | 42 | 48 | 54 | 60 | ||||||
| HP | KW | 230V-M | 230V-T | 400V-T | LT/MIN | 100 | 200 | 300 | 400 | 500 | 600 | 700 | 800 | 900 | 1000 | |
| CSE/100 | 1 | 0.75 | 5 | 2.2 | 1.3 | H=MT | 13 | 10 | 6 | 3 | ||||||
| CSE/150 | 1.5 | 1.1 | 8 | 4.8 | 2.8 | 13 | 12 | 11 | 9 | 8 | 6 | 4 | ||||
| CSE/200 | 2 | 1.5 | 10 | 6.7 | 3.8 | 14 | 13 | 12 | 10 | 9 | 7 | 4 | 2 | |||
| CSE/300 | 3 | 2.2 | 11.5 | 9.5 | 5.2 | 14 | 13 | 12 | 12 | 11 | 10 | 8 | 7 | 5 | 3 | |
PERFORMANCE CURVES CSE

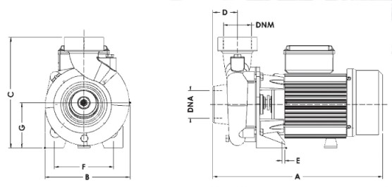
DIMENSION

| TYPE | DIMENSION IN mm. | SUCTION | DISCHARGE | WEIGHT | ||||||
| A | B | C | D | E | F | G | DNA | DNM | Kg | |
| CSE/100 | 344 | 170 | 227 | 52 | 12 | 120 | 93 | 2″ | 2″ | 17.2 |
| CSE/150 | 411 | 219 | 291 | 76 | 17 | 140 | 118 | 2″ | 2″ | 25.2 |
| CSE/200 | 411 | 219 | 291 | 76 | 17 | 140 | 118 | 2″ | 2″ | 26 |
| CSE/300 | 411 | 239 | 299 | 77 | 17 | 140 | 119 | 3″ | 3″ | 31 |
























