ปั๊มหอยโข่งสแตนเลส STAC รุ่น EN (End Suction Centrifugal Pump)
ปั๊มหอยโข่งสแตนเลส STAC รุ่น EN เป็นปั๊มหอยโข่งแบบ End Suction ตามมาตรฐานยุโรป EN733 (DIN24255) ที่สามารถเชื่อมต่อกับมอเตอร์ได้โดยตรง โดยไม่ต้องตั้งแนวเพลา (Alignment) ช่วยลดเวลาการติดตั้งและการบำรุงรักษา ตัวเรือน ใบพัด และฝาครอบผลิตจาก AISI 304 หรือ 316 เหมาะกับการใช้งานในระบบน้ำทั่วไป และกระบวนการในภาคอุตสาหกรรม
คุณสมบัติ
- ออกแบบตามมาตรฐาน EN733 / DIN24255
- เชื่อมต่อมอเตอร์ได้โดยตรง ไม่ต้องตั้งแนวเพลา
- ตัวเรือนและใบพัดสแตนเลส AISI 304 / 316 ทนการกัดกร่อน
- มอเตอร์มาตรฐาน T.E.F.C. 2 poles ความเร็วรอบ 2900 rpm
- เหมาะกับของเหลวสะอาด หรือของเหลวไม่กัดกร่อน
การใช้งาน
- ระบบปรับอากาศ
- ระบบน้ำร้อน / ระบายอากาศ
- ระบบน้ำเย็น
- ระบบเพิ่มแรงดันน้ำ
- ระบบชลประทาน
- งานระบบน้ำดีและน้ำเสีย
- งานสูบน้ำมันและผลิตภัณฑ์ปิโตรเลียม
- งานโรงงานและอุตสาหกรรมทั่วไป
Selection Chart


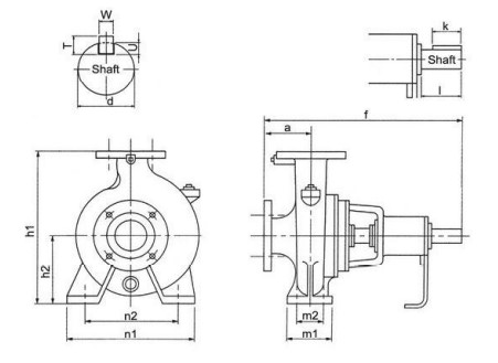
Dimensions

MODEL :EN-2A
| No. | Model | Pump dimensions | Shaft | Coupling Key | |||||||||||
| a | f | h1 | h2 | n1 | n2 | m1 | m2 | d | l | u | w | t | k | ||
| 1 | 40X32 EN2HA5.4 | 65 | 265 | 225 | 100 | 155 | 125 | 80 | 56 | 19 | 28 | 3.5 | 6 | 6 | 20 |
| 2 | 40X32 EN2IA5.75 | 65 | 265 | 252 | 112 | 180 | 140 | 80 | 56 | 19 | 28 | 3.5 | 6 | 6 | 20 |
| 3 | 40422 EN2JA51.5 | 80 | 360 | 292 | 132 | 240 | 190 | 100 | 70 | 19 | 40 | 3.5 | 6 | 6 | 32 |
| 4 | 40X32 EN2JA52.2 | 80 | 360 | 292 | 132112 | 240 | 190 | 100 | 70 | 19 | 40 | 3.5 | 6 | 6 | 32 |
| 5 | 50X40 EN2HA5.4 | 65 | 265 | 252 | 112 | 180 | 140 | 80 | 56 | 19 | 28 | 3.5 | 6 | 6 | 20 |
| 6 | 50X40 EN2HA5.75 | 65 | 265 | 252 | 112 | 180 | 140 | 80 | 56 | 19 | 28 | 3.5 | 6 | 6 | 20 |
| 7 | 50X40 EN2IA51.5 | 80 | 440 | 252 | 132 | 190 | 140 | 100 | 70 | 19 | 40 | 3.5 | 6 | 6 | 32 |
| 8 | 50X40 EN2JA52.2 | 80 | 440 | 292 | 132 | 240 | 192 | 100 | 70 | 19 | 40 | 3.5 | 6 | 6 | 32 |
| 9 | 50X40 EN2JA53.7 | 80 | 440 | 292 | 160 | 240 | 192 | 100 | 70 | 19 | 40 | 3.5 | 6 | 6 | 32 |
| 10 | 50X40 EN2KA53.7 | 80 | 440 | 340 | 160 | 240 | 190 | 100 | 70 | 24 | 50 | 4 | 8 | 7 | 40 |
| 11 | 50X40 EN2KA55.5 | 80 | 440 | 340 | 112 | 240 | 190 | 100 | 70 | 24 | 50 | 4 | 8 | 7 | 40 |
| 12 | 65X50 EN2HA5.75 | 80 | 360 | 252 | 112 | 190 | 140 | 100 | 70 | 19 | 40 | 3.5 | 6 | 6 | 32 |
| 13 | 65X50 EN2HA51.5 | 80 | 360 | 252 | 112 | 190 | 140 | 100 | 70 | 19 | 40 | 3.5 | 6 | 6 | 32 |
| 14 | 65X50 EN2IA52.2 | 80 | 440 | 252 | 132 | 210 | 160 | 100 | 70 | 19 | 40 | 3.5 | 6 | 6 | 32 |
| 15 | 65X50 EN2JA53.7 | 80 | 440 | 292 | 160 | 240 | 190 | 100 | 70 | 19 | 40 | 3.5 | 6 | 6 | 32 |
| 16 | 65X50 EN2KA55.5 | 100 | 460 | 340 | 160 | 265 | 212 | 100 | 70 | 24 | 50 | 4 | 8 | 7 | 40 |
| 17 | 65X50 EN2KA57.5 | 100 | 460 | 340 | 180 | 265 | 212 | 100 | 70 | 24 | 50 | 4 | 8 | 7 | 40 |
| 18 | 65X50 EN2LA511 | 100 | 460 | 405 | 180 | 320 | 250 | 125 | 95 | 24 | 50 | 4 | 8 | 7 | 40 |
| 19 | 65X50 EN2LA515 | 100 | 460 | 405 | 132 | 320 | 250 | 125 | 95 | 24 | 50 | 4 | 8 | 7 | 40 |
| 20 | 80X65 EN2HA52.2 | 100 | 380 | 292 | 132 | 240 | 190 | 100 | 70 | 19 | 40 | 3.5 | 6 | 6 | 32 |
| 21 | 80X65 ENIA53.7 | 100 | 460 | 292 | 160 | 240 | 190 | 100 | 70 | 24 | 50 | 4 | 8 | 7 | 40 |
| 22 | 80X65 EN2JA55.5 | 100 | 460 | 340 | 160 | 265 | 212 | 100 | 70 | 24 | 50 | 4 | 8 | 7 | 40 |
| 23 | 80X65 EN2JA57.5 | 100 | 460 | 340 | 160 | 265 | 212 | 100 | 70 | 24 | 50 | 4 | 8 | 7 | 40 |
| 24 | 80X65 EN2KA511 | 100 | 460 | 360 | 160 | 265 | 212 | 100 | 70 | 24 | 50 | 4 | 8 | 7 | 40 |
| 25 | 80X65 EN2KA515 | 100 | 460 | 360 | 160 | 265 | 212 | 100 | 70 | 24 | 50 | 4 | 8 | 7 | 40 |
| 26 | 80X65 EN2LA518.5 | 100 | 460 | 405 | 180 | 320 | 250 | 125 | 95 | 32 | 80 | 5 | 10 | 8 | 50 |
| 27 | 80X65 EN2LA522 | 100 | 460 | 405 | 180 | 320 | 250 | 125 | 95 | 32 | 80 | 5 | 10 | 8 | 50 |
| 28 | 100X80 EN2IA57.5 | 100 | 460 | 340 | 160 | 280 | 212 | 125 | 95 | 24 | 50 | 4 | 8 | 7 | 40 |
| 29 | 100X80 EN2JA511 | 100 | 406 | 360 | 160 | 280 | 212 | 125 | 95 | 24 | 50 | 4 | 8 | 7 | 40 |
| 30 | 100X80 EN2JA515 | 100 | 460 | 360 | 160 | 280 | 212 | 125 | 95 | 24 | 50 | 4 | 8 | 7 | 40 |
| 31 | 100X80 EN2KA518.5 | 100 | 460 | 405 | 180 | 320 | 250 | 125 | 95 | 32 | 80 | 5 | 10 | 8 | 50 |
| 32 | 100X80 EN2KA522 | 100 | 460 | 405 | 180 | 320 | 250 | 125 | 95 | 32 | 80 | 5 | 10 | 8 | 50 |
| 33 | 100X80 EN2LA530 | 100 | 570 | 450 | 200 | 360 | 280 | 160 | 120 | 32 | 80 | 5 | 10 | 8 | 50 |
| 34 | 100X80 EN2LA537 | 100 | 570 | 450 | 200 | 360 | 280 | 160 | 120 | 32 | 80 | 5 | 10 | 8 | 50 |
| 35 | 100X80 EN21A545 | 100 | 570 | 450 | 200 | 360 | 280 | 160 | 120 | 32 | 80 | 5 | 10 | 8 | 50 |
MODEL :EN-4A, EN-4F
| No. | Model | Pump dimensions | Shaft | Coupling Key | |||||||||||
| a | f | h1 | h2 | n1 | n2 | m1 | m2 | d | l | u | w | t | k | ||
| 1 | 40X32 EN4JA5.4 | 80 | 440 | 292 | 132 | 240 | 196 | 100 | 70 | 19 | 40 | 3.5 | 6 | 6 | 32 |
| 2 | 40X32 EN4KA5.4 | 80 | 440 | 340 | 160 | 240 | 196 | 100 | 70 | 24 | 50 | 4 | 8 | 7 | 40 |
| 3 | 40X32 EN4KA5.75 | 80 | 440 | 340 | 160 | 240 | 196 | 100 | 70 | 24 | 50 | 4 | 8 | 7 | 40 |
| 4 | 50X40 EN4JA5.4 | 80 | 440 | 292 | 132 | 240 | 196 | 100 | 70 | 19 | 40 | 3.5 | 6 | 6 | 32 |
| 5 | 50X40 EN4JA5.75 | 80 | 440 | 292 | 132 | 240 | 196 | 100 | 70 | 19 | 40 | 3.5 | 6 | 6 | 32 |
| 6 | 50X40 EN4KA5.75 | 100 | 460 | 340 | 160 | 265 | 212 | 100 | 70 | 24 | 50 | 4 | 8 | 7 | 40 |
| 7 | 50X40 EN4KA51.5 | 100 | 460 | 340 | 160 | 265 | 212 | 100 | 70 | 24 | 50 | 4 | 8 | 7 | 40 |
| 8 | 50X40 EN4LA52.2 | 100 | 460 | 405 | 180 | 320 | 250 | 100 | 70 | 24 | 50 | 4 | 8 | 7 | 40 |
| 9 | 65X50 EN4JA5.75 | 100 | 460 | 340 | 160 | 265 | 212 | 100 | 70 | 24 | 50 | 4 | 8 | 7 | 40 |
| 10 | 65X50 EN4KA51.5 | 100 | 460 | 360 | 160 | 265 | 212 | 100 | 70 | 24 | 50 | 4 | 8 | 7 | 40 |
| 11 | 65X50 EN4KA52.2 | 100 | 460 | 360 | 160 | 265 | 212 | 100 | 70 | 24 | 50 | 4 | 8 | 7 | 40 |
| 12 | 65X50 EN4LA53.7 | 100 | 460 | 405 | 180 | 320 | 250 | 125 | 95 | 24 | 50 | 4 | 8 | 7 | 40 |
| 13 | 80X65 EN4JA51.5 | 100 | 460 | 360 | 160 | 280 | 212 | 125 | 95 | 24 | 50 | 4 | 8 | 7 | 40 |
| 14 | 80X65 EN4JA52.2 | 100 | 460 | 360 | 160 | 280 | 212 | 125 | 95 | 24 | 50 | 4 | 8 | 7 | 40 |
| 15 | 80X65 EN4KA52.2 | 100 | 460 | 405 | 180 | 320 | 250 | 125 | 95 | 24 | 50 | 4 | 8 | 7 | 40 |
| 16 | 80X65 EN4KA53.7 | 100 | 460 | 405 | 180 | 320 | 250 | 125 | 95 | 24 | 50 | 4 | 8 | 7 | 40 |
| 17 | 80X65 EN4LA55.5 | 100 | 570 | 450 | 200 | 260 | 280 | 160 | 120 | 32 | 80 | 5 | 10 | 8 | 50 |
| 18 | 80X65 EN4MA57.5 | 125 | 595 | 505 | 225 | 400 | 315 | 160 | 120 | 32 | 80 | 5 | 10 | 8 | 50 |
| 19 | 80X65 EN4MA511 | 125 | 595 | 505 | 225 | 400 | 315 | 160 | 120 | 32 | 80 | 5 | 10 | 8 | 50 |
| 20 | 100X80 EN4KA53.7 | 125 | 595 | 430 | 180 | 345 | 280 | 125 | 95 | 32 | 80 | 5 | 10 | 8 | 50 |
| 21 | 100X80 EN4LA55.5 | 125 | 595 | 505 | 225 | 400 | 315 | 160 | 120 | 32 | 80 | 5 | 10 | 8 | 50 |
| 22 | 100X80 EN4LA57.5 | 125 | 595 | 505 | 225 | 400 | 315 | 160 | 120 | 32 | 80 | 5 | 10 | 8 | 50 |
| 23 | 100X80 EN4MA511 | 125 | 595 | 565 | 250 | 400 | 315 | 160 | 120 | 32 | 80 | 5 | 10 | 8 | 50 |
| 24 | 100X80 EN4MA515 | 125 | 595 | 565 | 250 | 400 | 315 | 160 | 120 | 32 | 80 | 5 | 10 | 8 | 50 |
| 25 | 125X100 EN4KA53.7 | 125 | 595 | 480 | 200 | 360 | 280 | 160 | 120 | 32 | 80 | 5 | 10 | 8 | 50 |
| 26 | 125X100 EN4KA55.5 | 125 | 595 | 480 | 200 | 360 | 280 | 160 | 120 | 32 | 80 | 5 | 10 | 8 | 50 |
| 27 | 125X100 EN4LA57.5 | 140 | 610 | 505 | 225 | 315 | 400 | 120 | 160 | 32 | 80 | 5 | 10 | 8 | 50 |
| 28 | 125X100 EN4LA511 | 140 | 610 | 505 | 225 | 315 | 400 | 120 | 160 | 32 | 80 | 5 | 10 | 8 | 50 |
| 29 | 125X100 EN4BA515 | 140 | 610 | 565 | 250 | 315 | 400 | 120 | 160 | 32 | 80 | 5 | 10 | 8 | 50 |
| 30 | 125X100 EN4BA518.5 | 140 | 610 | 565 | 250 | 315 | 400 | 120 | 160 | 32 | 80 | 5 | 10 | 8 | 50 |
| 31 | 125X100 EAMA518.5 | 140 | 610 | 565 | 250 | 315 | 400 | 120 | 160 | 32 | 80 | 5 | 10 | 8 | 50 |
| 32 | 125X100 EN4OA522 | 140 | 670 | 635 | 280 | 400 | 500 | 150 | 200 | 42 | 110 | 5 | 10 | 8 | 50 |
| 33 | 125X100 EN4OA530 | 140 | 670 | 635 | 280 | 400 | 500 | 150 | 200 | 42 | 110 | 5 | 12 | 8 | 50 |
| 34 | 150X125 EN4KF57.5 | 140 | 670 | 565 | 250 | 400 | 315 | 160 | 120 | 42 | 110 | 5 | 12 | 8 | 63 |
| 35 | 150X125 EN4KF511 | 140 | 670 | 565 | 250 | 400 | 315 | 160 | 120 | 42 | 110 | 5 | 12 | 8 | 63 |
| 36 | 150X125 EN4LF511 | 140 | 670 | 605 | 250 | 400 | 315 | 160 | 120 | 42 | 110 | 5 | 12 | 8 | 63 |
| 37 | 150X125 EN4LF515 | 140 | 670 | 605 | 250 | 400 | 315 | 160 | 120 | 42 | 110 | 5 | 12 | 8 | 63 |
| 38 | 150X125 EN4LF518.5 | 140 | 670 | 605 | 250 | 400 | 315 | 160 | 120 | 42 | 110 | 5 | 12 | 8 | 63 |
| 39 | 150X125 EN4MF515 | 140 | 670 | 635 | 280 | 500 | 400 | 200 | 150 | 42 | 110 | 5 | 12 | 8 | 63 |
| 40 | 150X125 EN4MF518.5 | 140 | 670 | 635 | 280 | 500 | 400 | 200 | 150 | 42 | 110 | 5 | 12 | 8 | 63 |
| 41 | 150X125 EN4MF522 | 140 | 670 | 635 | 280 | 500 | 400 | 200 | 150 | 42 | 110 | 5 | 12 | 8 | 63 |
| 42 | 150X125 EN4MF530 | 140 | 670 | 635 | 280 | 500 | 400 | 200 | 150 | 42 | 110 | 5 | 12 | 8 | 63 |
| 43 | 150X125 EN4MF537 | 140 | 670 | 635 | 280 | 500 | 400 | 200 | 150 | 42 | 110 | 5 | 12 | 8 | 63 |
| 44 | 150X125 EN4OF530 | 140 | 670 | 715 | 315 | 500 | 400 | 200 | 150 | 42 | 110 | 5 | 12 | 8 | 63 |
| 45 | 150X125 EN4OF537 | 140 | 670 | 715 | 315 | 500 | 400 | 200 | 150 | 42 | 110 | 5 | 12 | 8 | 63 |
| 46 | 150X125 EN4OF545 | 140 | 670 | 715 | 315 | 500 | 400 | 200 | 150 | 42 | 110 | 5 | 12 | 8 | 63 |
| 47 | 150X125 EN4OF555 | 140 | 670 | 715 | 315 | 500 | 400 | 200 | 150 | 42 | 110 | 5 | 12 | 8 | 63 |
| 48 | 150X125 EN4OF575 | 140 | 690 | 715 | 315 | 500 | 400 | 200 | 150 | 42 | 110 | 5 | 12 | 8 | 63 |
| 49 | 200X150 EN4LF522 | 140 | 690 | 655 | 280 | 500 | 400 | 200 | 150 | 42 | 110 | 5 | 12 | 8 | 63 |
| 50 | 200X150 EN4LF530 | 160 | 690 | 655 | 280 | 500 | 400 | 200 | 150 | 42 | 110 | 5 | 12 | 8 | 63 |
| 51 | 200X150 FN41 F537 | 160 | 830 | 656 | 280 | 500 | 400 | 200 | 150 | 42 | 110 | 5 | 12 | 8 | 63 |
| 52 | 200X150 EN4MF537 | 160 | 830 | 715 | 315 | 550 | 450 | 200 | 150 | 48 | 110 | 5.5 | 14 | 9 | 90 |
| 53 | 200X150 EN4MF545 | 160 | 830 | 715 | 315 | 550 | 450 | 200 | 105 | 48 | 110 | 5.5 | 14 | 9 | 90 |
| 54 | 200X150 EN4MF555 | 160 | 830 | 715 | 315 | 550 | 450 | 200 | 150 | 48 | 110 | 5.5 | 14 | 9 | 90 |
| 55 | 200X150 EN4OF555 | 160 | 830 | 765 | 315 | 550 | 450 | 200 | 150 | 48 | 110 | 5.5 | 14 | 9 | 90 |
| 56 | 200X150 EN4OF575 | 160 | 830 | 765 | 315 | 550 | 450 | 200 | 150 | 48 | 110 | 5.5 | 14 | 9 | 90 |
| 57 | 200X150 EN4OF590 | 160 | 830 | 765 | 315 | 550 | 450 | 200 | 150 | 48 | 110 | 5.5 | 14 | 9 | 90 |
| 58 | 200X150 EN4QE575 | 180 | 1000 | 960 | 400 | 595 | 500 | 250 | 190 | 60 | 140 | 7 | 18 | 11 | 100 |
| 59 | 200X150 EN4QF590 | 180 | 1000 | 960 | 400 | 595 | 500 | 250 | 190 | 60 | 140 | 7 | 18 | 11 | 100 |
| 60 | 200X150 EN4QF5110 | 180 | 1000 | 960 | 400 | 595 | 500 | 250 | 190 | 60 | 140 | 7 | 18 | 11 | 100 |




















