ปั๊มหอยโข่ง STAC รุ่น CRE
ปั๊มหอยโข่ง STAC CRE Series ได้รับการออกแบบให้ใช้ ใบพัดเปิด (Open Impeller) เหมาะสำหรับการสูบของเหลวที่มีสิ่งปนเปื้อนหรือของแขวนลอย (Suspended Solids) ขนาดเล็ก เช่น ในโรงงานอุตสาหกรรม ระบบชลประทาน หรือการใช้งานทั่วไปที่ไม่ต้องการของเหลวบริสุทธิ์ 100%
ตัวปั๊มผลิตจาก เหล็กหล่อคุณภาพสูง พร้อมซีลเพลา Carbon/Ceramic + NBR ที่ช่วยลดการรั่วซึมและยืดอายุการใช้งาน ใบพัดเปิดช่วยให้ไม่อุดตันง่าย เหมาะกับการใช้งานต่อเนื่อง
ข้อมูลมอเตอร์
- มอเตอร์ T.E.F.C. 2 poles
- ระดับการป้องกัน IP55
- ฉนวน Class F
- รองรับไฟฟ้า:
• 1 เฟส 220V 50Hz (กำลังสูงสุด ~2.2 kW)
• 3 เฟส 220/380V 50Hz (กำลังสูงสุด ~22 kW) - แรงดันและความถี่อื่น ๆ สั่งผลิตได้
วัสดุ
- ตัวปั๊ม: เหล็กหล่อ
- ใบพัด: Open Impeller (เหล็กหล่อ)
- ซีลเพลา: Carbon/Ceramic + NBR
- เพลา: สแตนเลส
- แบร็กเก็ต: เหล็กหล่อ
การใช้งาน
- งานสูบน้ำที่มีของแขวนลอยเล็กน้อย
- ระบบบำบัดน้ำเสียเบื้องต้น
- งานชลประทานและการเกษตร
- สูบถ่ายน้ำทั่วไปในโรงงานอุตสาหกรรม
| MOD | POWER | ABSORBED AMP | Q=DELMERY | |||||||||||
| M3/H | 2.4 | 4.8 | 7.2 | 9.6 | 12 | 14.4 | 16.8 | 19.2 | ||||||
| HP | KW | 230V-M | 230V-T | 400V-T | LT/MIN | 40 | 80 | 120 | 160 | 200 | 240 | 280 | 320 | |
| CRE/100 | 1 | 0.75 | 5 | 3 | 1.8 | H=MT | 17 | 16 | 15.5 | 14 | 13 | 11 | 8.5 | 6 |
PERFORMANCE CURVES CRE

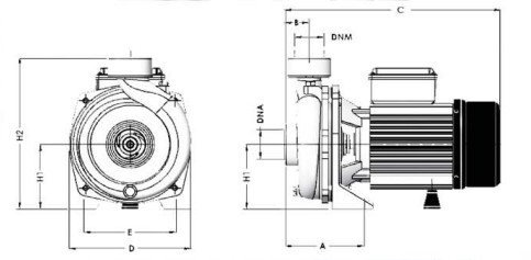
DIMENSION

| TYPE | DIMENSION IN mm. | SUCTION | DISCHARGE | WEIGHT | ||||||
| A | B | C | D | E | H1 | H2 | DNA | DNM | Kg | |
| CRE/100 | 121.5 | 38 | 314 | 185 | 140 | 100 | 235 | 1-1/2″ | 1-1/2″ | 14 |






















