ปั๊มหอยโข่งสแตนเลส STAC รุ่น KRW3 (Single-Stage Volute Pump)
ปั๊มหอยโข่งสแตนเลส STAC รุ่น KRW3 เป็นปั๊มหอยโข่งแนวนอนแบบใบพัดเดี่ยว (Single-Stage Volute) ที่ผลิตตามมาตรฐานยุโรป EN733 / DIN24255 ให้สมรรถนะสูงและทนทาน เหมาะสำหรับงานสูบน้ำสะอาด ระบบชลประทาน งานเพิ่มแรงดันน้ำ และระบบอุตสาหกรรมทั่วไป โครงสร้างสแตนเลส AISI 304 / 316 ป้องกันการกัดกร่อน ใช้งานได้ทั้งของเหลวร้อนและเย็น
คุณสมบัติ
- ผลิตตามมาตรฐาน EN733 / DIN24255
- ขนาดท่อ DN32 – DN300 รองรับอัตราการไหลสูงสุด 1300 m³/h
- ตัวเรือนปั๊มสแตนเลส AISI 304 / 316 แข็งแรง ทนการกัดกร่อน
- ความเร็วรอบ 1450 / 2900 rpm
- อุณหภูมิน้ำสูงสุด 105°C, แรงดันสูงสุด 16 bar
การใช้งาน
- ระบบน้ำในอาคาร
- ระบบชลประทาน
- ระบบเพิ่มแรงดันน้ำ
- ระบบปรับอากาศ / ทำความร้อน
- งานกระบวนการผลิตอุตสาหกรรม
- ระบบบำบัดน้ำ / Drainage
ข้อมูล
- Standard: EN733 / DIN24255
- Discharge size: DN 32 – DN 300
- Flow rate: up to 1300 m³/h
- Speed: 1450 / 2900 rpm
- Max. liquid temp: 105°C
- Max. working pressure: 16 bar
- Material: Cast Iron / Stainless Steel / Bronze (option)
Model Table (Power Rating)
| Model No. | 1450 RPM (kW) | 2900 RPM (kW) |
|---|---|---|
| 32/13 | 0.37 | 2.2 |
| 32/26 | 1.1 | 7.5 |
| 40/32 | 2.2 | 18.5 |
| 50/32 | 1.5 | 11.0 |
| 65/50 | 2.2 | 18.5 |
| 80/40 | 7.5 | 55.0 |
| 100/80 | 15.0 | 75.0 |
| 125/100 | 18.5 | 110.0 |
| 150/125 | 37.0 | 160.0 |
| 200/150 | 90.0 | 200.0 |
| 300/400 | 250.0 | — |
PERFORMANCE CHART STAC รุ่น KRW3 (50Hz)


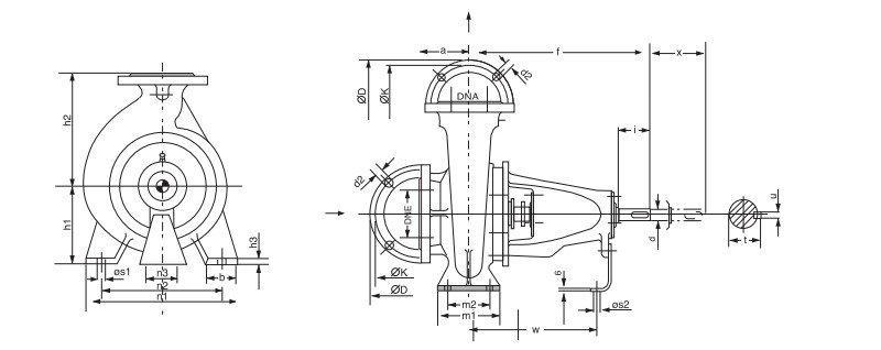
DIMENSIONS STAC รุ่น KRW3

| Pump size | Shaft unit | DNE | DNA | a | f | h1 | h2 | b | m1 | m2 | n1 | n2 | n3 | h3 | os1 | os2 | w | d | l | t | u | WT (kg) |
|---|---|---|---|---|---|---|---|---|---|---|---|---|---|---|---|---|---|---|---|---|---|---|
| 32/13 | 25 | Ø50 | Ø32 | 80 | 360 | 112 | 140 | 50 | 100 | 70 | 190 | 140 | 100 | 14 | 14 | 14 | 267 | 24 | 50 | 27 | 8 | 27.5 |
| 32/16 | 25 | Ø50 | Ø32 | 80 | 360 | 132 | 160 | 50 | 100 | 70 | 240 | 190 | 100 | 14 | 14 | 14 | 267 | 24 | 50 | 27 | 8 | 35 |
| 32/20 | 25 | Ø50 | Ø32 | 80 | 360 | 160 | 180 | 50 | 100 | 70 | 240 | 190 | 110 | 14 | 14 | 14 | 267 | 24 | 50 | 27 | 8 | 41 |
| 32/26 | 25 | Ø50 | Ø32 | 80 | 360 | 180 | 225 | 65 | 125 | 95 | 240 | 250 | 110 | 14 | 14 | 14 | 267 | 24 | 50 | 27 | 8 | 49 |
| 40/13 | 25 | Ø65 | Ø40 | 100 | 360 | 132 | 160 | 50 | 100 | 70 | 240 | 190 | 100 | 14 | 14 | 14 | 267 | 24 | 50 | 27 | 8 | 31 |
| 40/16 | 25 | Ø65 | Ø40 | 100 | 360 | 132 | 160 | 50 | 100 | 70 | 240 | 190 | 100 | 14 | 14 | 14 | 267 | 24 | 50 | 27 | 8 | 39 |
| 40/20 | 25 | Ø65 | Ø40 | 100 | 360 | 160 | 180 | 50 | 100 | 70 | 265 | 210 | 110 | 14 | 14 | 14 | 267 | 24 | 50 | 27 | 8 | 39 |
| 40/26 | 25 | Ø65 | Ø40 | 100 | 360 | 180 | 225 | 65 | 125 | 95 | 320 | 250 | 110 | 14 | 14 | 14 | 267 | 24 | 50 | 27 | 8 | 45.8 |
| 40/32H | 25 | Ø65 | Ø40 | 125 | 518 | 200 | 225 | 65 | 133 | 95 | 351 | 280 | 110 | 14 | 14 | 14 | 342 | 32 | 108 | 45 | 12 | 45.8 |
| 50/13 | 25 | Ø65 | Ø50 | 100 | 360 | 132 | 160 | 50 | 100 | 70 | 265 | 212 | 110 | 14 | 14 | 14 | 267 | 24 | 50 | 27 | 8 | 33 |
| 50/16 | 25 | Ø65 | Ø50 | 100 | 360 | 160 | 180 | 50 | 100 | 70 | 265 | 212 | 110 | 14 | 14 | 14 | 267 | 24 | 50 | 27 | 8 | 38 |
| 50/20 | 25 | Ø65 | Ø50 | 100 | 360 | 160 | 220 | 50 | 125 | 95 | 295 | 212 | 110 | 14 | 14 | 14 | 267 | 24 | 50 | 27 | 8 | 46 |
| 50/26 | 25 | Ø65 | Ø50 | 100 | 470 | 225 | 225 | 65 | 125 | 95 | 320 | 250 | 110 | 14 | 14 | 14 | 342 | 32 | 50 | 35 | 10 | 61.5 |
| 50/32 | 25 | Ø65 | Ø50 | 125 | 470 | 225 | 280 | 65 | 125 | 95 | 345 | 280 | 110 | 16 | 14 | 14 | 342 | 32 | 50 | 35 | 10 | 80 |
| 50/32H | 25 | Ø65 | Ø50 | 125 | 518 | 225 | 280 | 65 | 133 | 95 | 370 | 280 | 110 | 16 | 14 | 14 | 342 | 32 | 108 | 45 | 12 | 101.5 |
| 65/13 | 25 | Ø80 | Ø65 | 100 | 360 | 132 | 160 | 50 | 100 | 70 | 280 | 212 | 110 | 14 | 14 | 14 | 267 | 24 | 50 | 27 | 8 | 39 |
| 65/16 | 25 | Ø80 | Ø65 | 100 | 360 | 160 | 180 | 50 | 125 | 95 | 280 | 212 | 110 | 14 | 14 | 14 | 267 | 24 | 50 | 27 | 8 | 45 |
| 65/26 | 25 | Ø80 | Ø65 | 100 | 470 | 220 | 220 | 65 | 125 | 95 | 320 | 280 | 110 | 16 | 14 | 14 | 342 | 32 | 50 | 35 | 10 | 70 |
| 65/32 | 35 | Ø80 | Ø65 | 100 | 470 | 220 | 280 | 80 | 160 | 120 | 360 | 280 | 110 | 16 | 17.5 | 14 | 342 | 32 | 80 | 35 | 10 | 91 |
| 65/32H | 35 | Ø80 | Ø65 | 125 | 518 | 225 | 280 | 80 | 164 | 120 | 400 | 315 | 110 | 16 | 17.5 | 14 | 342 | 32 | 108 | 45 | 12 | 120 |
| 80/16 | 35 | Ø100 | Ø80 | 125 | 380 | 180 | 225 | 65 | 125 | 95 | 320 | 250 | 110 | 14 | 14 | 14 | 342 | 32 | 80 | 35 | 10 | 65 |
| 80/26 | 35 | Ø100 | Ø80 | 125 | 470 | 220 | 250 | 80 | 160 | 120 | 360 | 280 | 110 | 16 | 17.5 | 14 | 342 | 32 | 80 | 35 | 10 | 75 |
| 80/32 | 35 | Ø100 | Ø80 | 125 | 470 | 250 | 280 | 80 | 160 | 120 | 400 | 315 | 110 | 16 | 17.5 | 14 | 342 | 32 | 80 | 35 | 10 | 95 |
| 80/32H | 35 | Ø100 | Ø80 | 125 | 518 | 250 | 315 | 80 | 170 | 120 | 400 | 315 | 110 | 16 | 17.5 | 14 | 342 | 32 | 108 | 45 | 12 | 120 |
| 80/40 | 35 | Ø100 | Ø80 | 125 | 470 | 280 | 280 | 80 | 160 | 120 | 400 | 315 | 110 | 16 | 17.5 | 14 | 342 | 32 | 80 | 35 | 10 | 110 |
| 100/20 | 35 | Ø125 | Ø100 | 140 | 470 | 220 | 280 | 80 | 160 | 120 | 400 | 315 | 110 | 16 | 17.5 | 14 | 342 | 32 | 80 | 35 | 10 | 90 |
| 100/26 | 35 | Ø125 | Ø100 | 140 | 470 | 250 | 280 | 80 | 160 | 120 | 400 | 315 | 110 | 16 | 17.5 | 14 | 342 | 32 | 80 | 35 | 10 | 101 |
| 100/26H | 35 | Ø125 | Ø100 | 140 | 530 | 225 | 280 | 80 | 170 | 120 | 400 | 315 | 110 | 18 | 23 | 14 | 370 | 42 | 110 | 45 | 12 | 103 |
| 100/32 | 35 | Ø125 | Ø100 | 140 | 470 | 250 | 315 | 80 | 160 | 120 | 400 | 315 | 110 | 16 | 17.5 | 14 | 342 | 32 | 80 | 35 | 10 | 134 |
| 100/40 | 35 | Ø125 | Ø100 | 140 | 530 | 280 | 355 | 100 | 200 | 150 | 500 | 400 | 110 | 18 | 23 | 14 | 370 | 42 | 110 | 45 | 12 | 174 |
| 125/20 | 35 | Ø150 | Ø125 | 140 | 470 | 250 | 315 | 80 | 160 | 120 | 400 | 315 | 110 | 16 | 17.5 | 14 | 342 | 32 | 80 | 35 | 10 | 106 |
| 125/26 | 35 | Ø150 | Ø125 | 140 | 470 | 250 | 315 | 80 | 160 | 120 | 400 | 315 | 110 | 16 | 17.5 | 14 | 342 | 32 | 80 | 35 | 10 | 116 |
| 125/26H | 45 | Ø150 | Ø125 | 140 | 530 | 280 | 355 | 100 | 200 | 150 | 500 | 400 | 110 | 18 | 23 | 14 | 370 | 42 | 110 | 45 | 12 | 181 |
| 125/32 | 45 | Ø150 | Ø125 | 140 | 530 | 280 | 355 | 100 | 200 | 150 | 500 | 400 | 110 | 18 | 23 | 14 | 370 | 42 | 110 | 45 | 12 | 161 |
| 125/40 | 45 | Ø150 | Ø125 | 180 | 680 | 375 | 500 | 100 | 200 | 150 | 550 | 450 | 140 | 24 | 24 | 14 | 500 | 55 | 110 | 59 | 16 | 220 |
| 125/50 | 60 | Ø150 | Ø125 | 180 | 680 | 375 | 500 | 100 | 200 | 150 | 550 | 450 | 140 | 24 | 24 | 14 | 500 | 55 | 110 | 59 | 16 | 220 |
| 150/20 | 45 | Ø200 | Ø150 | 160 | 495 | 280 | 400 | 100 | 200 | 150 | 500 | 400 | 110 | 18 | 23 | 14 | 367 | 32 | 110 | 45 | 12 | 126 |
| 150/26 | 45 | Ø200 | Ø150 | 160 | 530 | 250 | 355 | 100 | 200 | 150 | 550 | 450 | 110 | 18 | 23 | 14 | 370 | 42 | 110 | 45 | 12 | 156 |
| 150/32 | 45 | Ø200 | Ø150 | 160 | 530 | 280 | 355 | 100 | 200 | 150 | 550 | 450 | 110 | 18 | 23 | 14 | 370 | 42 | 110 | 45 | 12 | 165 |
| 150/40 | 45 | Ø200 | Ø150 | 180 | 680 | 375 | 450 | 100 | 200 | 150 | 550 | 450 | 140 | 24 | 24 | 15 | 370 | 42 | 110 | 59 | 16 | 209 |
| 150/50 | 60 | Ø200 | Ø150 | 180 | 680 | 375 | 450 | 100 | 200 | 150 | 550 | 450 | 140 | 24 | 24 | 15 | 370 | 42 | 110 | 59 | 16 | 230 |
| 200/26 | 45 | Ø250 | Ø200 | 200 | 530 | 320 | 450 | 100 | 200 | 150 | 550 | 450 | 140 | 18 | 23 | 15 | 389 | 42 | 110 | 59 | 16 | 223 |
| 200/32 | 55 | Ø250 | Ø200 | 200 | 676 | 355 | 450 | 100 | 200 | 200 | 550 | 450 | 150 | 25 | 24 | 15 | 389 | 42 | 110 | 59 | 16 | 300 |
| 200/40 | 55 | Ø250 | Ø200 | 200 | 676 | 355 | 450 | 100 | 200 | 200 | 550 | 450 | 150 | 25 | 24 | 15 | 389 | 42 | 110 | 59 | 16 | 300 |
| 200/50 | 60 | Ø250 | Ø200 | 210 | 783 | 425 | 545 | 160 | 300 | 240 | 720 | 600 | 140 | 30 | 27 | 23 | 534 | 58 | 110 | 59 | 16 | 323 |
| 200/65 | 60 | Ø250 | Ø200 | 210 | 783 | 425 | 545 | 160 | 300 | 240 | 720 | 600 | 140 | 30 | 27 | 23 | 534 | 58 | 110 | 59 | 16 | 330 |
| 250/32 | 60 | Ø300 | Ø250 | 240 | 783 | 425 | 545 | 160 | 300 | 240 | 720 | 600 | 140 | 30 | 27 | 23 | 534 | 58 | 110 | 59 | 16 | 457 |
| 250/40 | 60 | Ø300 | Ø250 | 240 | 783 | 425 | 545 | 160 | 300 | 240 | 720 | 600 | 140 | 30 | 27 | 23 | 534 | 58 | 110 | 59 | 16 | 457 |
| 250/50 | 75 | Ø300 | Ø250 | 240 | 783 | 425 | 545 | 160 | 300 | 240 | 720 | 600 | 140 | 30 | 27 | 23 | 534 | 58 | 110 | 59 | 16 | 646 |
| 300/40 | 75 | Ø350 | Ø300 | 280 | 783 | 500 | 600 | 150 | 300 | 200 | 800 | 660 | 140 | 30 | 27 | 23 | 550 | 70 | 140 | 75 | 20 | 720 |
























